当前位置:首页>产品中心 > 10KV户内真空断路器 > > vs1固封式(VBP-12)
产品中心

vs1固封式(VBP-12)

概述
VBP型户内中压固封式真空断路器是本公司自行研制、开发的新一代真空断路器、VBP真空断路器适用在以空气为绝缘的户内式开关,用于交流50Hz、额定电压12KV及以下的电网中起控制和保护作用,VBP真空断路器在频繁操作和需要开断路器电流的场合下具有极为优良的性能、完全满足自动合闸的要求并具有高的可靠操作与使用寿命。
VBP
在开关柜内的安装形式即可以是固定式,也可以是安装于手车,VBP可安装于KVN28KYN96型开关柜或配套于其它铠装中置柜,可提供额定电流为630A1250A1600A固封极柱真空断路器,可安装于650mm柜宽的开关柜。
VBP
固封式真空断器符合GBIECDL标准和规范,GB/T11022IEC60694高压开关设备和控制设备标准的共同技术条件:GB1984DL403JB3855交流高压断路器。
型号及含义
注:操动机构改革类别:T-代表弹簧操动机构 M-代表永磁电动操动机构
操动电压类别:D-代表直流 A-代表交流安装方式类别:W-手车式 F-代表固定式
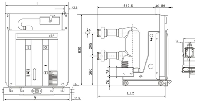
外形及安装尺寸
参数
P
A
B
I
L
Φ
630A~1250A
20KA~31.5KA
150
502
503
498
609
35
210
650
653
648
600
35
参数
P
A
B
I
L
Φ
630A~1250A
20KA~31.5KA
210
650
653
648
609
35
150
520
503
498
600
49
 

上一个:VS1侧装式

下一个:VS1普能型

返回列表