|
概述
|
||||||||||||||||||||||||||||||||||||||||||||||||||||||||||||||||||||||||||||||||||||||||||||||||||||||||||||||||||||||||||||||||||||||||||||||||||||||||||||||||||||||||||||||||
|
VS1-12型侧装式(VBM7)真空路路器系户内高压开关设备,适用于额定电压12千伏、频率50Hz的三相电力系统中,作为保护和控制电器使用,由于真空断路器的特殊优越性,尤其适用于需要电流下的频繁操作,或多次开断短路电流表的场所。
VS1-12型侧装式(VBM7)真空路器采用固定式安装,主要用于固定式开关柜,该断中器既可单独使用,又可用于环网供电、箱式变或各种非标供电系统。 |
||||||||||||||||||||||||||||||||||||||||||||||||||||||||||||||||||||||||||||||||||||||||||||||||||||||||||||||||||||||||||||||||||||||||||||||||||||||||||||||||||||||||||||||||
|
主要技术参数
|
||||||||||||||||||||||||||||||||||||||||||||||||||||||||||||||||||||||||||||||||||||||||||||||||||||||||||||||||||||||||||||||||||||||||||||||||||||||||||||||||||||||||||||||||
|
||||||||||||||||||||||||||||||||||||||||||||||||||||||||||||||||||||||||||||||||||||||||||||||||||||||||||||||||||||||||||||||||||||||||||||||||||||||||||||||||||||||||||||||||
|
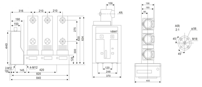
外形及安装尺寸
|
||||||||||||||||||||||||||||||||||||||||||||||||||||||||||||||||||||||||||||||||||||||||||||||||||||||||||||||||||||||||||||||||||||||||||||||||||||||||||||||||||||||||||||||||

版权所有 © 乐清市海拓电气有限公司 浙ICP备12005072号-1 XML 网站地图