当前位置:首页>产品中心 > 10KV户外真空断路器 > > ZW10(12,27)普能型
产品中心

ZW10(12,27)普能型

 
一、产品特点
1
内部采用了特殊的抗凝露措施,确保箱体内绝缘;
2、转动方式采用专利技术,安装方便、动作可靠,避免因机械故障影响断路的性能;
3、不充油、不充气、体积小、重量轻、无需检修。
4、分断电流大,无污染,无需检修。
5、操纵既可电动,也可手动。
二、主要技术参数
2.1额定参数
序号
项 目
单位
参 数
1
额定电压
KV
12
2
额定电流
A
630
3
额定频率
HZ
50
4
工频耐受电压
KV
42/48
5
雷电冲击电压(峰值)
KV
75/85
6
额定短路开断电流
KA
6.3
12.5
16
20
7
额定短路关合电流(峰值)
KA
16
31.5
40
50
8
额定短时耐受电流
KA
6.3
12.5
16
20
9
额定峰值耐受电流
KA
16
31.5
40
50
10
额定操作顺序
 
分—0.3S—合分—180S合分
11
额定短路电流开断次数
30
12
机械寿命
10000
13
动触头允许磨损累计厚度
mm
3
4
14
额定操作电压 配CT型弹簧操动机构
合闸线圈
V
直流或交流220V
分闸线圈
15
过流脱扣线圈额定工作电流
A
5
16
电流互感器一、二次电流比
 
100/5.200/5.300/5.400/5.630/5
17
储能电机
客定电压
V
直流或交流220V
功率
W
≤200
18
重量
Kg
150
 
2.2机械参数
 
序号
项 目
单 位
参 数
1
触头开距
mm
11±1
2
触头行程
mm
3±0.5
3
平均分闸速度
m/s
1±0.2
4
平均合闸速度
m/s
0.8±0.2
5
合闸弹跳时间
ms
≤3
6
三相分闸同期性
ms
≤2
7
三相合闸同期性
ms
≤3
8
合闸时间
ms
40-60
9
分闸时间
ms
30-50
10
每极主回路电阻
ms
≤200
11
相间中心距
 
220±1.5
12
合闸状态触头弹簧长度
mm
25.5

2.3隔离开关技术数据
序号
项 目
单 位
数 据
1
额定电压
KV
12
2
额定电流
A
630
3
4s热稳定电流(有效值)
KA
20
4
动稳定电流(峰值)
KA
50
5
1.2/50μs全波冲击电压(峰值)
KV
相对地75断口85
6
1min工频耐压
KV
42
7
各相导电回路电阻
μΩ
≤60
8
合闸手动操作力矩
Nm
≤150
9
触刀刚合位置偏斜
mm
≤2
10
导电部分对地绝缘距离
mm
≥160
11
断口开距
mm
≥200

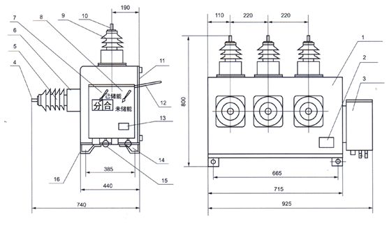
三、外形及安装尺寸


1
、箱体   2、产品铭牌   3、操动机构   4、接线端字   5、绝缘子
6、电流互感器   7、分合指针   8、储能指针   9、绝缘子   10、接线端子
11、后盖板   12、手动储能摇柄   13、手动机构铭牌   14、手动合闸拉环
15、手动合闸拉环   16、接地螺栓

概述及主要技术参数
ZW10-12/G系列户外高压真空断路器(以下简称“断路器”)用于交流50Hz、额定电压12kV的三相电力系统中,作为分、合负荷电流、过载电流及短路电流之用
1内部采用了特殊的抗凝露措施,确保箱体内绝缘;
2、转动方式采用专利技术,安装方便、动作可靠,避免因机械故障影响断路的性能;
3、不充油、不充气、体积小、重量轻、无需检修。
4、分断电流大,无污染,无需检修。
5、操纵既可电动,也可手动。
二、主要技术参数
2.1额定参数
序号
项 目
单位
参 数
1
额定电压
KV
12
2
额定电流
A
630
3
额定频率
HZ
50
4
工频耐受电压
KV
42/48
5
雷电冲击电压(峰值)
KV
75/85
6
额定短路开断电流
KA
6.3
12.5
16
20
7
额定短路关合电流(峰值)
KA
16
31.5
40
50
8
额定短时耐受电流
KA
6.3
12.5
16
20
9
额定峰值耐受电流
KA
16
31.5
40
50
10
额定操作顺序
 
分—0.3S—合分—180S合分
11
额定短路电流开断次数
30
12
机械寿命
10000
13
动触头允许磨损累计厚度
mm
3
4
14
额定操作电压 配CT型弹簧操动机构
合闸线圈
V
直流或交流220V
分闸线圈
15
过流脱扣线圈额定工作电流
A
5
16
电流互感器一、二次电流比
 
100/5.200/5.300/5.400/5.630/5
17
储能电机
客定电压
V
直流或交流220V
功率
W
≤200
18
重量
Kg
150
 
2.2机械参数
 
序号
项 目
单 位
参 数
1
触头开距
mm
11±1
2
触头行程
mm
3±0.5
3
平均分闸速度
m/s
1±0.2
4
平均合闸速度
m/s
0.8±0.2
5
合闸弹跳时间
ms
≤3
6
三相分闸同期性
ms
≤2
7
三相合闸同期性
ms
≤3
8
合闸时间
ms
40-60
9
分闸时间
ms
30-50
10
每极主回路电阻
ms
≤200
11
相间中心距
 
220±1.5
12
合闸状态触头弹簧长度
mm
25.5

2.3隔离开关技术数据
序号
项 目
单 位
数 据
1
额定电压
KV
12
2
额定电流
A
630
3
4s热稳定电流(有效值)
KA
20
4
动稳定电流(峰值)
KA
50
5
1.2/50μs全波冲击电压(峰值)
KV
相对地75断口85
6
1min工频耐压
KV
42
7
各相导电回路电阻
μΩ
≤60
8
合闸手动操作力矩
Nm
≤150
9
触刀刚合位置偏斜
mm
≤2
10
导电部分对地绝缘距离
mm
≥160
11
断口开距
mm
≥200

三、外形及安装尺寸


1
、箱体   2、产品铭牌   3、操动机构   4、接线端字   5、绝缘子
6、电流互感器   7、分合指针   8、储能指针   9、绝缘子   10、接线端子
11、后盖板   12、手动储能摇柄   13、手动机构铭牌   14、手动合闸拉环
15、手动合闸拉环   16、接地螺栓

 

上一个:ZW8普通型

下一个:ZW32普通型

返回列表