首页
关于我们
关于我们
公司简介
资质荣誉
企业文化
产品中心
产品中心
10KV户外真空断路器
10KV户外智能型真空断路器
10KV户外永磁智能断路器
10KV智能预付费断路器
10KV双电源转换装置
24KV-40.5KV户外真空断路器
10KV户内真空断路器
24KV-40.5KV户内真空断路器
10KV-40.5KV六氟化硫断路器
10KV-40.5KV多/少油断路器
10KV-40.5KV户外负荷开关
10KV-40.5KV户内负荷开关
10KV-126KV户外隔离开关
10KV-40.5KV户内隔离开关
10KV-40.5真空接触器
10KV-40.5KV接地开关
高压机构
新闻中心
新闻中心
公司新闻
行业动态
资料下载
联系我们
当前位置:
首页
>
产品中心
>
10KV-40.5KV户内负荷开关
>
>
FN7
产品分类 0
10KV户外真空断路器
10KV户外智能型真空断路器
10KV户外永磁智能断路器
10KV智能预付费断路器
10KV双电源转换装置
24KV-40.5KV户外真空断路器
10KV户内真空断路器
24KV-40.5KV户内真空断路器
10KV-40.5KV六氟化硫断路器
10KV-40.5KV多/少油断路器
10KV-40.5KV户外负荷开关
10KV-40.5KV户内负荷开关
10KV-126KV户外隔离开关
10KV-40.5KV户内隔离开关
10KV-40.5真空接触器
10KV-40.5KV接地开关
高压机构
13867774527
产品中心
FN7
FN7-12DR
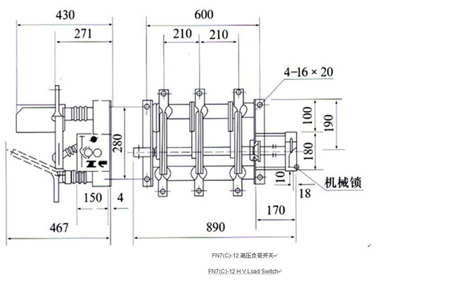
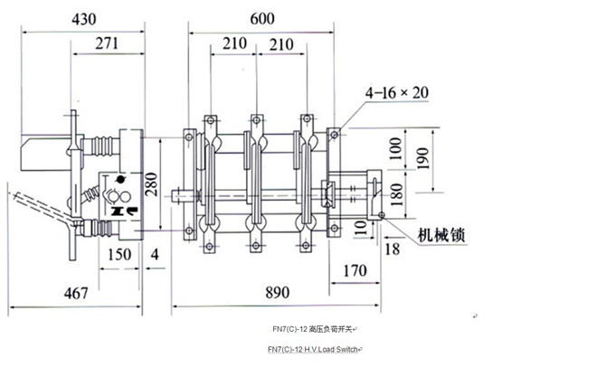
型交流高压负荷开关(以下简称负荷开关)是一种新型产气式户内高压负荷开关,适用于交流
50HZ
,额定电压
12KV
的三相交流电力系统中,作为开断负荷电流及关合短路电流之用。
FN7(C)-12
型系列高压负荷及熔断器组合电器是在
FN7-12
系列高压负荷开关的基础上,增加侧面操作机构、使得安装更加简捷方便,能够满足广大用户的不同要求。
型号含义
正常工作环境
1
、周围空气温度
不高于
+40
o
C
不低于
-25
o
C
;
2
、海拔不超过
1000
米;
3
、相对湿度,日平均值不大于
95%
,月平均值不大于
90%
;
4
、周围空气应不受腐蚀性、可燃性气体及水蒸汽体等明显污染;
5
、无经常性的剧烈运动;
上一个:
FN5
下一个:
fn16A-12
返回列表
技术支持:传信网络
版权所有 © 乐清市海拓电气有限公司
浙ICP备12005072号-1
XML
网站地图
返回顶部
13867774527
在线咨询
手机浏览